Shell(y)ing Out for Infrastructure
3 posts a year, what is this, 2015? Don’t get used to it.
I’m compelled to write, I have many notes, my evening is open, and I have a splitting headache. Ideal combination, no? There are a couple of topics I want to explore today in brief:
- Update on the Shelly experiment
- Quick notes on going solar
- Networking (now featuring more DNS problems)
Now let’s dive into it before I make any further unkeepable promises of followups.
Just Shelly
A man can only make so many shell based puns while under physical duress. I made a list of reasons for why I want home automation in my last post, and so far all of them have proven prophetic in actual use cases. Now, I must admit I by no means have the most complex home automation setup and mostly keep to the Apple side of things, but it’s definitely been a boon and passes the “Oh my partner is actually using this” test.
One part which I was sure I documented was the automation of our garage door in addition to our driveway gate, but I appear to have hallucinated that while pretending to be a regular blogger. Like our gate, the garage motor is manufactured by aliens E.T. Systems as the DC Blue Advanced. No doubt a sophisticated piece of equipment to garner the label.
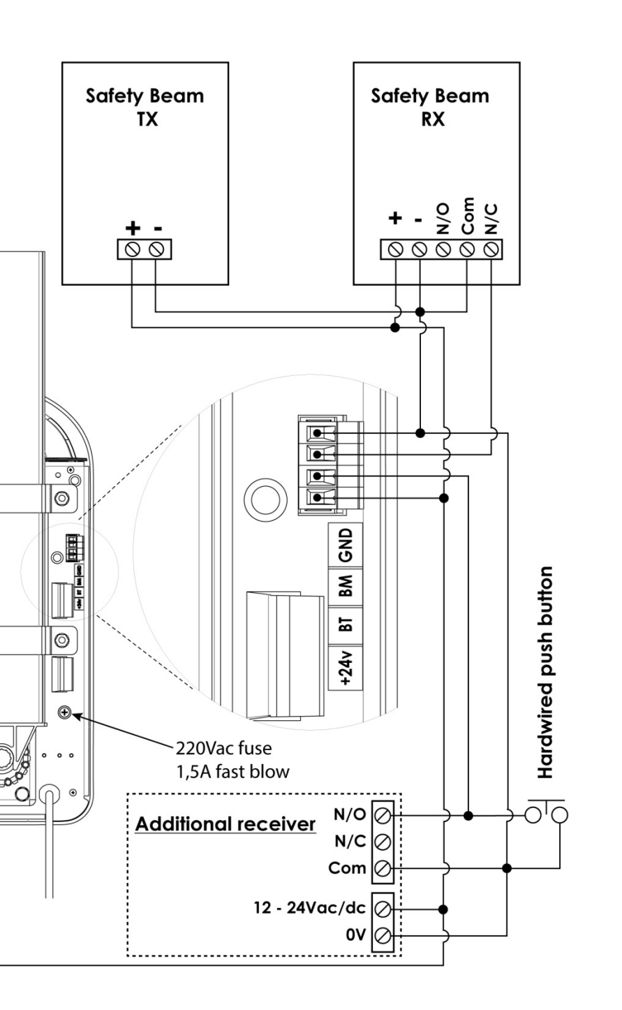
Examining the manual and visually inspecting the garage motor itself reveals a convenient header providing power and input (labelled “Hardwired push button” below), this being what I like to call the Shelly Zone™.

Inconveniently however, there are no limit detection outputs on the exterior of this beast. Gentle vivisection reveals where the Advanced moniker comes from. This thing ain’t got no limit switches. It’s all done via current sensing and training of the garage controller. Obviously something else has to be done. A trip to my local electrical supplier netted me one “industrial” magnetic switch as demonstrated in my human hands below:
![]() |
![]() |
|---|
It only came with the shortest of pigtails so in a zeal of professionalism I added this cute little junction box to extend it to the gate motor. The sensor and acompanying maget were mounted to the wall and garage respectively. Exact positioning of the sensor and magnet was a bit of trial and error with a multimeter to have it trigger only when the garage is fully closed. From a security standpoint this is the most important signal, either my garage is fully closed, or it isn’t.
The maget is possitively affirmed by some screws and locknuts. Don’t ask me about drilling the holes on the garage door, while it is in the rails, very close to the sides of the walls, on the thinest of sheet metal. My psychologist says it’s very dangerous to dwell on damaging events like this.
A little bit of wiring later, the Shelly is snug as a bug.

Suffice to say, it works great! No more wondering if we’ve left the garage open when half an hour from home, and I’ve accepted quite a few deliveries remotely this way.
Sun and or Chemicals = Electricity
I know about all these things. For those not local to South Africa, you may not have heard of a thing called loadshedding, essentially controlled blackouts to manage a chronic shortage of power production. It would be… unwise to explore the situation that led up to this, my headache still abides.
Now loadshedding has been going on for a very long time, but recently I’ve had both the money and sheer cumulative annoyance to do something about it. Nicely enough, this fits in with the longer term of goal of reducing our carbon footprint. Our journey has started with an exciting (but not too exciting, chemically speaking) compound called Lithium Ferrophosphate and it’s capability to store vast quantities of electrons repeatedly and reliably. This coupled with a little inverter unit has made our house immune to most power interruptions for a comfortably long time:
I’d like to say I managed to get it all up and running in a weekend, but that would be facetious of the true process:
- Rewiring the entire house two years ago and already splitting my critical and non-critical loads at that time
- Spending months researching battery and inverter systems
- Hours pouring over the relevant electrical regulations and standards
- Weeks procuring and diagramming out the systems
- A weekend installing everything in a zeal of effort
So what did that weekend of effort look like? Here it is:
Before anyone complains, I’ve done a lot more tidying and gotten less shitty ducting in place. I hear you ask though, where is the solar? That I’m afraid is an ongoing discussion between myself and the lovingly nanny-ish City of Cape Town. I leave you with this master plan to visualise in your mind palace:
All I can say is I have a smug look of superiority on my face everytime my lights don’t even so much as flicker when the grid goes down.
Networking (or “why do we need a network closet?”)
This is a metaphorical headache ontop of my viscerally present actual headache.
My network has reached a peak of complexitiy I’m very happy to start backing down from. I have a love-hate relationship with my UniFi network, so while I will most likely keep the WiFi portion of it, routing has got to go.
- Feature completeness and firmware have been a rollercoaster and I want off it
- The UniFi router is painfully limited in configuring WAN2 options, though this has improved mildly recently
- UniFi kit has been out of stock for months now, please, my network is very sick, I need a big switch
- Abysmally inaccurate bandwidth stats
I have a complex mix of networked services and it needs to have SO approval factor for ease of use. To that end I’ve been exploring the following options:
- Tailscale, why did I not do this earlier?!
- Literally any NVR over the Hikvision one we have now, give me a UI that doesn’t need Internet Explorer to work
- Friendship over with pihole, nextdns.io is my new best friend (maybe…)
- Pfsense? I need to build a proper router, but I covet many things and have not so many money
It’s late, my head remains suboptimally comfortable, so I’ll leave you with these keywords above as a choose your own adventure on search engine of your choice.



